Engineering

Van idee tot uitvoerbaar ontwerp

Wat is engineering?

Engineering is het proces waarbij ideeën worden omgezet in praktische, werkbare ontwerpen. Door middel van gedetailleerde berekeningen, technische tekeningen en innovatieve technologieën worden concepten ontwikkeld die naadloos aansluiten bij specifieke behoeften. Of het nu gaat om een volledig nieuwe machine of het optimaliseren van een bestaand systeem, engineering vormt de basis voor efficiënte en duurzame oplossingen.

Wat maakt ons uniek?

Innovatie in elk ontwerp

Van schets naar werkelijkheid

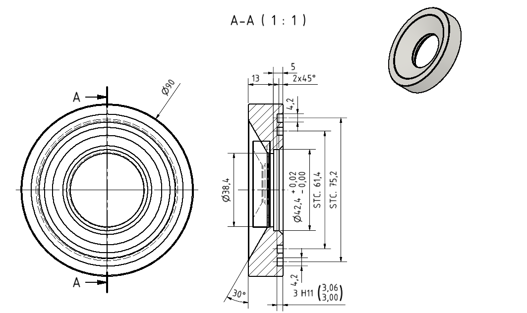
Bij engineering draait alles om creativiteit en precisie. Wij beginnen met uw idee en werken dit uit tot een gedetailleerd ontwerp. Door gebruik te maken van geavanceerde tools, zoals CAD-systemen, garanderen wij maximale nauwkeurigheid. Het resultaat is een oplossing die niet alleen technisch haalbaar is, maar ook praktisch en duurzaam in gebruik.

Voor wie is engineering geschikt?

Oplossingen voor elke sector

Engineering biedt voordelen voor een breed scala aan bedrijven en sectoren. Of u nu een machinebouwer bent die een nieuw product wil ontwikkelen, een ondernemer met een uniek idee, of een fabriek die zijn productieproces wil optimaliseren – engineering zorgt ervoor dat uw project van de grond komt. Met maatwerkoplossingen op elk niveau bieden wij toegevoegde waarde aan uiteenlopende technische uitdagingen.

Offerte aanvragen

Drag & Drop Files, Choose Files to Upload
Voeg hier tekeningen of andere relevante bestanden toe

Offerte aanvragen

Vraag vandaag nog een offerte aan! We bespreken graag uw project en denken met u mee over de beste oplossingen. Neem contact met ons op en ontdek wat we voor u kunnen betekenen. Samen brengen we uw idee tot leven.